3.3.20 Напряжения в сложно нагруженном тонкостенном резервуаре при продольном изгибе
- Информация о материале
- Родительская категория: Раздел 3 ТЕОРЕТИЧЕСКОЕ ОБОСНОВАНИЕ, ИССЛЕДОВАНИЕ СРЕДСТВ ДЛЯ УГЛУБЛЕННОГО ЭКСПЕРИМЕНТАЛЬНОГО ИЗУЧЕНИЯ СОПРОТИВЛЕНИЯ МАТЕРИАЛОВ ТЕНЗОМЕТРИЧЕСКИМ МЕТОДОМ В УЧЕБНОМ ПРОЦЕССЕ В КОНТЕКСТЕКОМПЕТЕНТНОСТНОГО ПОДХОДА В ОБУЧЕНИИ
- Категория: 3.3 Исследование деформаций и напряжений в сложно нагруженных тонкостенных и толстостенных резервуарах тензометрическим методом
- Опубликовано: 01.11.2016 09:26
- Просмотров: 386
Практический интерес представляют экспериментальные методы определения деформаций и напряжений в опасных точках стенки тонкостенного резервуара с внутренним давлением, подверженного дополнительному продольному сжатию, скручиванию и изгибу.
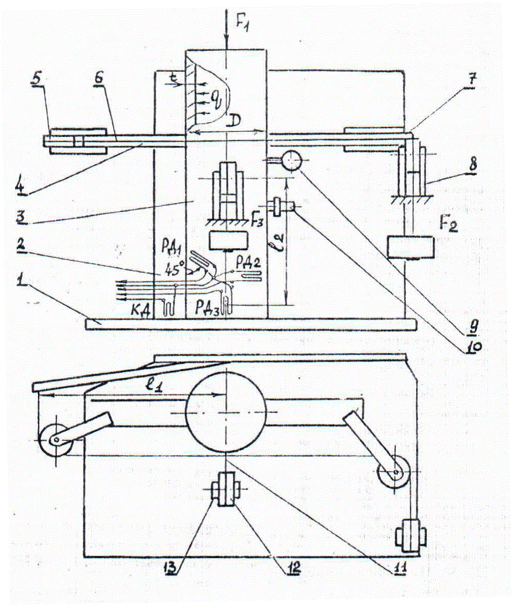
Конструкция экспериментальной установки
Экспериментальная установка (рисунок 3.94) представляет собой вертикально расположенный на основании 1 тонкостенный цилиндрический резервуар 3 с наружным D и внутренним d диаметрами, толщиной t. Высота резервуара больше пятикратного размера диметра. Тонкостенный резервуар испытан на максимальное внутреннее давление и герметичность. Резервуар снабжен краном 10 и манометром 9.

Рисунок 3.94 Схема экспериментальной установки для изучения деформаций сложно нагруженного сжатого тонкостенного резервуара
Продольный изгиб резервуара вызывается действием центральной сжимающей силы F1 , величина которой меньше, чем критическая.
Во время опытов внутри резервуара компрессором создается необходимое давление. Скручивающий тонкостенный резервуар момент создается парой сил F2, лежащей в плоскости, перпендикулярной к оси симметрии. Сила F2 порядка 0,5 кН действует на стальной канат 6, перекинутый через систему блоков 7 и 5, вращающихся на кронштейнах, жестко соединенных с двухплечным рычагом 4. Один конец каната закреплен к кронштейну 14.
Изгиб тонкостенного резервуара осуществляется силой F3, порядка 0,5 кН с плечом l2, действующей на стальной канат II, перекинутый через блок 12, установленный на кронштейне 13. Канат горизонтально соединяется с тонкостенным резервуаром.
На наружной поверхности резервуара в рассматриваемой точке стенки для намерения относительных деформаций ɛ1, ɛ2, вызванных внутренним давлением q, наклеены рабочие тензометрические датчики РД1 и РД2 [73].
Для определения относительной деформации ɛ3 от действия крутящего момента служит тензометрический датчик РД3, наклеенный на стенке под углом 45° к образующей цилиндра.
Относительная деформация ɛ2 от действия изгибающего момента фиксируется по показаниям также тензометрического датчика РД2
Рабочие тензометрические датчики с компенсационным тензометрическим датчиком образуют внешние полумосты. Вывод от каждого рабочего тензометрического датчика включается к измерительному каналу измерителя деформаций ЦТИ-1.