3.3.10 Прочность тонкостенного цилиндрического резервуара при сложном нагружении
- Информация о материале
- Родительская категория: Раздел 3 ТЕОРЕТИЧЕСКОЕ ОБОСНОВАНИЕ, ИССЛЕДОВАНИЕ СРЕДСТВ ДЛЯ УГЛУБЛЕННОГО ЭКСПЕРИМЕНТАЛЬНОГО ИЗУЧЕНИЯ СОПРОТИВЛЕНИЯ МАТЕРИАЛОВ ТЕНЗОМЕТРИЧЕСКИМ МЕТОДОМ В УЧЕБНОМ ПРОЦЕССЕ В КОНТЕКСТЕКОМПЕТЕНТНОСТНОГО ПОДХОДА В ОБУЧЕНИИ
- Категория: 3.3 Исследование деформаций и напряжений в сложно нагруженных тонкостенных и толстостенных резервуарах тензометрическим методом
- Опубликовано: 01.11.2016 12:05
- Просмотров: 522
В промышленности и сельском хозяйстве широко применяются тонкостенные цилиндрические резервуары различной вместимости. Кроме внутреннего давления от продукта, тонкостенные резервуары могут подвергаться дополнительно и внецентренному сжатию или растяжению от внешних воздействий.
В целях обеспечения безопасности этих объектов в условиях эксплуатации необходимо подвергать их периодическому неразрушающему контролю с определением (теоретически и экспериментально) максимальных напряжений в более опасных точках стенки.
Не претендуя на полноту раскрытия всех теоретических аспектов, рассмотрим практическое решение данной технической задачи в двух случаях [88]:
1) вертикально расположенный тонкостенный цилиндрический резервуар испытывает внутреннее давление q от продукта и внецентренное сжатие от внешней силы F;
2) аналогичный резервуар наполнен жидким продуктом и подвергается действию сжимающей силы с такими же координатами точки приложения.
Рассмотрим первый случай. Схема цилиндрического резервуара с размещенными тензометрическими датчиками показана на рисунке 3.87.
Цилиндрический герметичный резервуар высотой Н, толщиной стенки t, средним диаметром dcp расположен вертикально. Искусственно созданное внутреннее давление в резервуаре равно q. Вертикальная сила F действует в точке К имеет координату ХF. Резервуар снабжен технологическим краном и манометром для измерения внутреннего давления от продукта.

Рисунок 3.87 Схема цилиндрического резервуара с размещенными тензометрическими датчиками
Известно [148], что стенка тонкостенного резервуара, имеющего днища, под действием внутреннего давления находится в условиях плоского напряженного состояния, т.е. напряжения σ1, стремятся разорвать резервуар по образующим цилиндра, а напряжения σ2 - по поперечной плоскости. В точках стенки, расположенных в середине высоты резервуара, т.е. на значительном расстоянии от днища, напряжения σ1 и σ2 могут быть определены по формулам [148]:
σ1 = q*dcp/2t ;
σ2 = q*dcp/4t ;
Нормальные напряжения σ3 , вызванные изгибающим моментом от внецентренно действующей силы F, определяются по формуле:
σ3 = 16FXFdH/π(d4H - d4BH), (3.6)
где dH и dBH - соответственно наружный и внутренний диаметры резервуара.
Напряжения σ4 от центрального сжатия силой F определяются по формуле:
σ4 = 4 F/π(d2H – d2BH) .
Эквивалентные напряжения в опасной точке стенки резервуара определяются по формуле
σэкв= [σ21 + (σ2+ σ 3 - σ 4)2 – σ1 (σ 2+ σ 3 - σ 4)]1/2 (3.7)
и сравниваться с допускаемым напряжением для материала стенки резервуара.
Во втором случае тонкостенный резервуар при остальных равных условиях заполняется жидким продуктом - водой. При этом в той же точке стенки резервуара возникает напряжение σ1, σ3, σ4. Причем напряжения σ3 и σ4 вычисляются по тем же формулам.
Напряжение σ1 находим с учетом напора столба жидкости, определяемого выше от рассматриваемой точки стенки:
σ1=γhdcp/2t, (3.8)
где γ - удельный вес жидкости;
h - высота столба жидкости.
Эквивалентные напряжения равны:
σэкв= [σ21 + (σ3 - σ4)2 - σ1(σ3 - σ4)]1/2. (3.9)
Для экспериментов использовался герметичный вертикальный стальной резервуар диаметром 0,3 м, толщиной стенки t = 0,002 м и высотой Н = 1 м. Координата приложения статической вертикальной силы F составила XF = 0,1 м.
В первом случае в резервуаре компрессором создавалось внутреннее давление, равное 0,4; 0,8 и 1,2 МПа. При этом на резервуар действовала сосредоточенная внецентренная сжимающая сила F соответственно равная 200, 400 и 600 Н.
Для экспериментального определения напряжения в точках стенки резервуара, где проводилась их теоретическая оценка по приведенным выше формулам, использовался тензометрический метод. Фактические напряжения находились по найденным экспериментально относительным линейным упругим деформациям стенки резервуара.
Чтобы найти относительную деформацию ɛ1, вызванную внутренним давлением q, перпендикулярно оси симметрии резервуара (поперек образующей цилиндра) приклеили тензометрический датчик РД1.
Для определения относительной деформации ɛ2 , вызванной внутренним давлением на днища резервуара, параллельно оси симметрии резервуара (вдоль образующей цилиндра) приклеен тензометрический датчик РД2 . Относительная деформация ɛ3, обусловленная изгибом резервуара от действия внецентренной силы F, определялась тензометрическим датчиком РД3, размещенным на наружной поверхности резервуара параллельно его оси. Относительная деформация ɛ4 стенки резервуара, вызванная центральным сжатием от силы F, также находилась с помощью тензометрического датчика РД3. При этом направление действия внешней силы должно совпадать с осью симметрии испытуемого объекта.
При измерении применялся принцип независимости действия (принцип суперпозиции).
Компенсационный тензометрический датчик КД размещался на отдельной недеформируемой действующими на резервуар силовыми факторами стальной пластинке.
Рабочие и компенсационный тензометрические датчики соединяются по полумостовой схеме и их выводы соответствующим образом подключаются к цифровому измерителю деформации ЦТИ-1. Каждый рабочий тензометрический датчик подсоединяли к одному из пяти измерительных каналов прибора. База тензометрических датчиков составила 15 мм, электрическое сопротивление - 100 Ом.
Последовательность измерений в эксперименте следующая. Сначала сигналы рабочих тензометрических датчиков записывают без приложения на резервуар нагрузок, т.е. q = 0 и F = 0. Затем показания ЦТИ-1 при измерении фиксируются после приложения нагрузок.
Для определения относительной упругой деформации в точке, где размещен рабочий тензометрический датчик, разность показаний прибора после и до нагружений умножали на 2*10-6. Соответствующее нормальное напряжение в точке находили по закону Гука с учетом модуля продольной упругости материала стенки резервуара.
Опыты повторяли трехкратно. По результатам экспериментов установлена средняя арифметическая относительной линейной упругой деформации стенки резервуара в исследуемой точке.
В таблицах 1 и 2 приведены нормальные напряжения σ1 и σ2, σ3 и σ4, полученные расчетным путем по приведенным формулам и экспериментально тензометрическим методом при различных исходных данных внутреннего давления q и внецентренно действующей силы F.
Таблица 3.5 Нормальные напряжения при данных внутреннего давления
| Давление q, МПа | Напряжение, МПа | |||
| σlт | σ1э | σ2т | σ2э | |
| 0,4 | 29,8 | 27,2 | 14,9 | 16,0 |
| 0,8 | 59,6 | 58,0 | 29,8 | 30,8 |
| 1,2 | 89,4 | 91,2 | 44,7 | 40,2 |
Таблица 3.6 Нормальные напряжения при данных внецентренно действующей силы
| Внецентренна сила F, Н | Напряжение, МПа | |||
| σ3т | σ3э | σ4т | σ4э | |
| 200 | 0,072 | - | 0,109 | 0,2 |
| 400 | 0,144 | 0,2 | 0,218 | 0,4 |
| 600 | 0,217 | 0,4 | 0,328 | 0,6 |
Анализ данных таблицы 3.5 показывает близкое совпадение результатов теоретического расчета и экспериментальных измерений напряжений σ1 и σ2 в точках резервуара при действии внутреннего давления продукта.
Сопоставление теоретических и опытных данных таблицы 3.6 применительно к напряжениям σ3 и σ4, вызванным внецентренным сжатием от силы F в контрольных точках резервуара, говорит лишь о существовании пропорциональной связи между ними (измерительные напряжения почти в два раза выше расчетных).
Зависимость нормальных напряжений σ1 и σ2 от места расположения тензометрического датчика по высоте резервуара со стороны днища при внутреннем давлении q = 1,2 МПа показана на рисунке 3.88.

Рисунок 3.88 Зависимость нормальных σ1 и σ2 напряжений в точках стенки резервуара от места расположения по высоте Н от днища
Как видно из рисунка 3.88 напряжение σ1 в точках по мере удаления от днища резко возрастает и при высоте 0,25 - 0,3 м от днища уже незначительно отличается от максимального напряжения, полученного в точках, расположенных в середине резервуара. Такое изменение напряжения в точках, расположенных на незначительном расстоянии от днища объясняется тем, что последнее (плоское сварное днище) ограничивает развитие окружной относительной деформации стенки резервуара. При этом напряжения σ2 изменяются более стабильно.
Во втором случае нагружения резервуара в точке стенки, расположенной на высоте 1/3 Н от нижнего основания, зафиксировано наибольшее напряжение, равное 0,6 МПа.
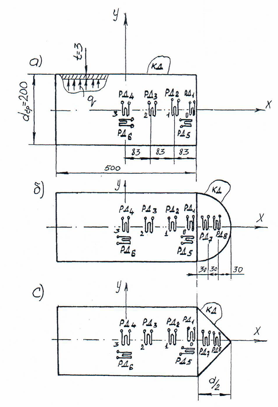
С целью установления характера изменения напряжений в точках стенки цилиндрического резервуара от типа днища проводились специальные опыты. Для этого изготовлялись одинаковые по диаметру и толщине стенки резервуары с плоским, сферическим и коническим днищами. Тензометрические датчики для измерения окружного напряжения устанавливались в определенном расстоянии от оси У в сторону правого днища (рисунок 3.88/1 а, б, с).
В резервуаре создавалось статическое давление воздуха, равное q = 0,6 МПа, и проводились соответствующие измерения напряжений в контрольных точках
На рисунке 3.88/1 а, б, с представлены зависимости напряжений в точке стенки от параметра X - расстояния от оси У до места расположения тензометрического датчика для трех видов днищ.
Во всех конструкциях наблюдается уменьшение напряжений по мере приближения к днище резервуара. Сравнительно резкое снижение напряжений происходит в резервуаре с плоским днищем. А в резервуарах со сферическим и коническим днищами наблюдается постепенное уменьшение величины окружного напряжения по мере приближения к днищу.
Результаты опытов приведены в приложениях 3.31, 3.32, 3.33.

Рисунок 3.88/1 Тонкостенные резервуары для изучения напряжений тензометрическим методом в точках стенки в зависимости от внутреннего давления продукта: а, б, с - соответственно с плоским, сферическим и коническим днищем

Рисунок 3.88/2а Зависимость окружного σt и осевого σо напряжений в точке стенки резервуара с плоским днищем от координаты X (внутреннее давление продукта q = 6 кг/ см2)

Рисунок 3.88/2б Зависимости окружного σt и осевого σо напряжений в точке стенки резервуара со сферическим днищем от координаты X (внутреннее давление продукта q = 6 кг/см2)

Рисунок 3.88/2с Зависимости окружного σt и осевого σо напряжений в точке стенки резервуара со сферическим днищем от координаты X (внутреннее давление продукта q = 6 кг/см2)
В заключение отметим, что экспериментальный тензометрический метод без больших затрат времени и материальных средств позволяет осуществить практический периодический неразрушающий контроль прочности в любых точках стенки сложно-нагруженных тонкостенных резервуаров, в том числе и в местах сварных соединений технологических патрубков и горловин к ним, где теоретически определить напряжения довольно сложно и результат получается весьма приближенный.